

压力式泡(pào)沫比例混合装(zhuāng)置
执行(háng)标准:GB20031-2005

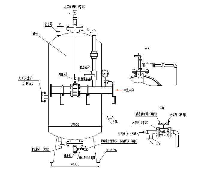
一. 产品(pǐn)介绍:
囊式压力比例混合装(zhuāng)置主要由带胶(jiāo)囊的泡沫液压力储罐与利用文丘里原(yuán)理制成的PHY型压(yā)力式比例混合器(qì)组成,当系统(tǒng)管网中的水(shuǐ)流经比例混合器减压(yā)
孔板时,在孔板(bǎn)的前后会形成压差。压高处(chù)的一部分水(3%或6%)进入罐内,挤压胶囊,将胶囊中的泡沫液挤压至系统管网低压处与水混合(hé)形成泡沫混合液。
配用泡沫发(fā)生器产生(shēng)相应的泡沫来灭火。
本产品配用水泵及相应的泡沫液(yè)和泡沫发生器可组成各(gè)种低、中、高倍数泡沫灭火系统及泡沫喷(pēn)淋、水成(chéng)膜泡沫灭火系统。
二. 产品特点(diǎn):
罐内采用了胶囊将贵重的泡沫液与水分隔开来,当泡沫液一次未使用完可再次使用,便于调试、日常维(wéi)修,为用户节约了(le)资金和人力。
通过(guò)置换的方(fāng)式所形成的泡沫混合液(yè),能在流量和(hé)压力变化的情况下仍维持准确的混(hún)合比例,使灭火时能产生充足的泡沫。同时也使得(dé)本产品的压降损
失非(fēi)常小,保证了喷出(chū)的泡沫能量大、穿透力强,提高了灭(miè)火的效果。
七. 安装
1)按照《泡沫灭火系统施工及验收规范》有关规定(dìng)执行安装。
2)要求安装时对(duì)产品进行整体安装,不得将混合装置上的(de)比(bǐ)例混合器、管道及其配件撤(chè)卸下来(lái)分别安装。
4)要求将罐体水平安装
5)将所(suǒ)附配的压力表(1只)按安装图示位置(zhì)安装好(hǎo)。
八(bā).操作使用:
泡沫液的灌装:
灌装是将泡(pào)沫液从外面灌入罐(guàn)体中胶囊内的过程,为了确(què)保在(zài)灌装初期过程中避免因已装入的泡沫液重量对胶囊拉扯力过大,在灌装前需在胶囊和罐壁
之间的空间灌注(zhù)水。所选泡沫液必须按本产品铭牌上所示比(bǐ)例(lì)来选择泡沫原液。
灌装前准备步骤如下:
1) 关闭控制阀1和控(kòng)制阀2,打开排气阀3。
2) 打开排渣阀5,将胶囊内的残渣排尽。
3) 在系统管网中充入水,再(zài)微(wēi)量开启控制阀2,让系统中的水在无压(yā)力的状态下进入罐(guàn)壁和胶囊之间的空间内,直到水量约为罐体体(tǐ)积的1/2~2/3 为
止(可通过打开人工注水孔,直至水溢出为止(zhǐ));如无系统水源(yuán),则需打开人工注水孔的闷(mèn)盖注入水,直至水溢出为止。灌液方法可(kě)分为人工灌液和用泵进行灌液。
人工灌液法:
a: 填液(yè)前将(jiāng)注液孔处的DN40球阀打开,并保证(zhèng)排气阀3处于打开状态,排(pái)渣阀5、排水阀4、控制阀1 处于关闭状态,只(zhī)有(yǒu)这(zhè)样才能将泡沫原液顺
利地倒入胶囊(náng)内。
b: 在灌注过(guò)程中当有水从排(pái)气阀3排出或不能继(jì)续罐入(rù)泡沫液时,打开排水阀4排水,使灌入的泡沫液与排出的水(shuǐ)量相当,保证泡沫液顺利地灌入胶
囊内(nèi)。
c: 灌注(zhù)完毕关闭排水阀4,将注液孔处的DN40 球阀关闭,将(jiāng)排气(qì)阀3、排渣阀5、灌液控制阀6关闭,保证比例混合器上的两个控制阀1、2处于常
开状态。此时装置处于待用状态(tài)。用(yòng)泵进行灌液(yè)法见附录。(所需配泵由(yóu)产品另(lìng)行销售)
维护保养:
1) 在系统处于灭火时,必须保证(zhèng)控制阀1、控制阀2处于打(dǎ)开状态。
2) 如需(xū)取泡沫原液样检查是否变质时,只需将排渣阀5打开即可,取完样后、再将上述阀门关闭。
3) 管路应每年检查一次,查看(kàn)有无(wú)被腐蚀,若发现问题,必(bì)须(xū)进(jìn)行(háng)压力(lì)试验,对暗管至少五(wǔ)年检查一次。
4) 泡(pào)沫液至少每(měi)年检查一次,检查贮存泡沫液的容器是否损(sǔn)坏,抽取泡沫液样品,检查是否有过量的沉积物,并送交检测中心进行化验分析,如(rú)质量
不合格,应予更换。
(0571)81007119 81007117 81007116
hzjaxf@163.com
浙江省诸暨市经济技术开发(fā)区
扫
一
扫
联
系(xì)
我
们